
作者 | 雷磊,杨青锋,刘金伟,雷洪,李智华,张玉金,纪国有,张鑫,董红平,项光洪
摘要:在电站、化工及海洋等领域,硬密封截止阀的泄漏影响着控制系统的正常运行。在系统外载荷作用下,保证截止阀的密封性能需满足三大基本密封准则:全密封环、有效密封宽度和有效密封比压。本文基于数值模拟方法,研究预紧载荷、阀体的肋板及中体结构对密封性能的影响,运用泄漏长度和泄漏宽度参数表征密封面的泄漏程度。仿真结果表明,改变肋板宽度会影响密封面的最大泄漏宽度,改变中体的球状结构会影响密封面的泄漏长度,增加预紧载荷有利于减小密封面的泄漏长度和泄漏宽度。合理优化阀体的肋板宽度、中体的球状结构及预紧载荷可实现金属硬密封截止阀的密封,并为同类型产品结构优化提供借鉴。
关键词: 截止阀;外部载荷;密封性能;全密封环
基金项目: 温州市重大科技创新攻关项目资助(ZZG2024002)
1
概述
截止阀具有截断或接通管路中介质的功能,是电站、石油化工装置、海洋平台上流体控制系统的关键安全组件。近年来,截止阀工况逐渐呈现高温高压的趋势,使用场景越来越复杂,介质泄漏的风险大大增加。
目前,国内外学者对影响阀门密封性能的因素开展了广泛的研究。Anwar等认为密封表面粗糙度和变形是影响安全阀在整定压力下泄漏的主要因素。狄九旺等通过遗传算法研究截止阀密封结构参数对密封性能的影响,优化后的结构提升了截止阀密封性能。刘玉萍基于热固耦合模拟分析研究球阀密封件变形对密封性能的影响,得到温度载荷对密封性能的影响规律。孔翔等通过有限元分析研究内压载荷下球阀密封结构、材料属性对其密封性能的影响,得出改变阀座结构是减少泄漏的最佳选择。白燕等分析阀门工艺中影响截止阀密封性能的因素,试验得到焊接变形是阀门密封失效的主要原因。以上研究大多考虑了内压、温度、阀门密封结构和加工工艺对密封性能的影响,未考虑外部系统载荷的影响。
阀门的密封性能测试是确保系统安全运行的关键环节,国内外标准对阀门密封试验的测试方法都有明确规定。在涉及阀门密封试验相关标准方面,标准规定了轴流阀、球阀、止回阀等阀门在外部载荷或管道应力作用下需保持其功能和密封,而对小口径截止阀未作明确要求。截止阀在通用阀门中,其结构抗变形能力最差,在外部载荷作用下阀门易因刚度不足而产生密封失效。
因此,本文以NPS3-Class150金属硬密封截止阀为原型,考虑外部载荷作用下,截止阀不同几何形状抵抗变形的能力及对密封的影响规律,并为同类型截止阀的密封性能优化设计提供参考。
2
硬密封截止阀密封原理
2.1 密封原则
为保证硬密封截止阀基本的密封性能,需要满足三大密封基本原则:全密封环、有效密封宽度和有效密封比压。
(1)全密封环:当发生弹性变形的密封接触面上形成均匀连续的周向接触环面时,变形填补了密封接触周向区域间的接触间隙,阻断了流体渗漏的通道,称这一密封连续接触区域的周向环面为全密封环。
(2)有效密封宽度:密封面之间有效接触区域宽度直接影响密封面的压力分布和流体渗漏的路径长度。在实际过程中,材料的表面粗糙度、实际密封面之间圆度误差及装配精度均影响着有效密封面宽度。
(3)有效密封比压:确保密封面在给定工况下不发生泄漏的最小比压,其值与密封载荷、接触压力及介质压力有关。一般而言,有效密封比压必须大于介质压力才能实现可靠密封。
有效密封宽度直接影响截止阀的密封性能,根据以往的截止阀设计经验,在阀座基体表面堆焊一层厚度2 mm以上的司太立合金,使其表面硬度达到37~45 HRC;通过研磨工艺,密封面表面粗糙度达到0.4,密封面存在1.5~2.5 mm宽度的均匀接触带,从而保证截止阀密封面具有一定的密封宽度。
2.2 锥面密封
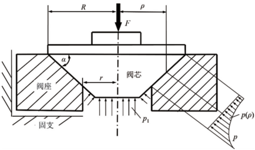
金属硬密封截止阀属于强制密封式阀门,其锥面密封结构如图1所示,通过阀芯压紧阀座密封面达到较高的密封比压,从而实现流体密封。

图1 典型截止阀锥面密封结构示意图
截止阀在关闭状态下,阀芯主要受到预紧力F和沿径向分布的流体压力p1(忽略摩擦力的影响),两者合力可简化为沿阀芯轴线方向的净载荷Fz。Fz通过阀芯压紧阀座密封面,基于受力平衡,Fz需满足:

式中 α——密封面与水平面的夹角,°
ρ——密封面任意一点的半径,mm
R——锥面的大径,mm
r——锥面的小径,mm
如果阀芯密封面与阀座密封面处处接触且系统边界的变形可以忽略(固定边界条件),基于上述条件,密封面接触区域内半径为ρ处的正压力p可表达为:

由此可知,密封面接触区域正压力p与接触区域所处的半径成反比。靠近流体区域的接触区域处的半径小,产生接触变形大,有利于填补接触面之间的间隙,从而提高截止阀的密封性能,故一定程度上增大阀芯所受的净载荷Fz可得到较大的有效密封比压,从而提高截止阀锥面密封面的密封性能。
然而,实际阀座阀体自成一体或者阀座焊接在阀体上,阀座的边界条件受阀体变形的影响,而阀体在实际运行过程中易受到系统施加的外部载荷而发生径向变形,导致阀座密封面与阀芯密封面不能形成全密封环,引起阀门内漏。
3
研究对象
以某公司的NPS3-Class150金属硬密封截止阀为例,选取阀体和阀芯为研究对象。由于截止阀阀门结构前后对称,为简化几何模型,取一半模型进行分析。截止阀阀芯和阀体均为ASTM A216 WCB+密封面Stellite6合金,具体材料属性如表1所示。
表1 材料属性

由于流体控制系统功能的复杂性,截止阀的法兰接口承受来自系统的压力、轴向力及弯矩载荷。根据ASME Ⅷ-1 UG 44,将法兰的外力、外力矩及设计温度下的设备最大允许工作压力都作为当量压力加载在法兰密封面上,外载荷Fx的计算公式如式(3)所示。

式中 FAX——由系统通过管道传至阀门的轴向力,N
FBX——由系统通过管道传至阀门的弯矩,N·mm
σs——屈服强度,MPa
A1——管道壁厚截面积,mm2
FEC——尾端力,N
P——介质压力,MPa
A2——管道流通截面积,mm2
阀芯的预紧力F不仅要抵抗流体的压力,而且要保证密封面的密封比压,因此F的计算公式如式(4)所示。

式中 FMJ——密封面上介质作用力,N
FMF——密封面上密封力,N
DMN——密封面内径,mm
DMW——密封面外径,mm
bM——密封面宽度,mm
fm——密封面摩擦因数
α——密封面的锥半角,°
qMF——密封面必须比压,MPa
为探究外部载荷对截止阀锥面密封性能的影响,对阀体进口区域施加最大允许的介质压力p1为3 MPa,阀芯所受到预紧力F为10000 N,系统的外部载荷Fx为46750 N,阀门出口施加固定约束条件,其载荷和边界条件如图2所示。

图2 载荷及边界条件
4
结果分析
截止阀阀体在外部载荷条件下,阀座密封面沿径向出现了不同程度的变形,从而影响截止阀密封面接触状态。通过仿真分析得到截止阀密封面的接触状态云图、接触压力分布及径向间隙分布如图3~图5所示。
由图3可知,密封面的左侧区域状态显示为红色(接触状态),中间区域状态显示为黄色(未接触状态),密封面接触区域未能形成一个完整的环面。此外,由图4和图5可知,在周向方向上,密封面左右两侧区域(0°~55°和115°~180°区间)的接触压力远大于介质压力,中间区域(55°~115°区间)的接触压力为零,故密封面形成一定的泄漏长度;同时,密封面周向85°附近的间隙值最大,产生一定的泄漏宽度。以上结果分析表明,截止阀在外部载荷作用下,阀芯与阀体的密封面径向变形差异较大,形成具有一定长宽的泄漏面积。

图3 密封面接触状态云图

图4 密封面接触压力分布

图5 密封面径向间隙分布
缩小密封面的泄漏面积必须要降低密封面的径向变形差异值,因此,本文研究了不同因素对密封面径向变形的影响规律,有助于增强截止阀的密封性能。
5
不同因素对密封性能的影响
在外部载荷作用下,提高阀体刚度以减小密封面的变形程度是优化截止阀密封性能的重要途径。预紧力能够增加密封面的密封比压,降低密封面间的变形差异,增强阀体的密封性能;在阀体关键受力部位合理增加肋板宽度,可有效提高阀体的整体刚度;在相同壁厚条件下,球体的抗弯截面系数大于筒体,因此将影响阀座受力状态的中体改为球状结构,以提高密封面的抗变形能力,其结构变化如图6所示。

图6 中体结构变化示意图
5.1 肋板宽度对密封性能的影响
将肋板宽度在原有基础上向上或向下加宽10 mm,加载与第2节相同的载荷和边界条件,密封面接触压力及径向间隙分别如图7和图8所示。

图7 密封面接触压力分布

图8 密封面径向间隙分布
由图7和图8可知,改变肋板的宽度,密封面泄漏长度几乎不变,泄漏宽度减小,向上增加宽度比向下增加宽度更能减少泄漏宽度。因此,在一定程度上,优先向上增加肋板宽度有利于提供截止阀的密封性能。
5.2 中体结构对密封性能的影响
在满足结构强度的前提下,将截止阀阀体的中体由原来的直筒状改为上下开孔的球状结构,其半径为R=62 mm和R=66 mm,加载与第2节相同的载荷和边界条件,其密封面接触压力及径向间隙分别如图9和图10所示。

图9 密封面接触压力分布

图10 密封面径向间隙分布
由图9和图10可知,改变截止阀中体结构可降低接触表面的接触压力,减小泄漏长度;最大径向变形几乎不变,因此最大泄漏宽度不受影响,这说明合理改变截止阀的中体结构有利于减小密封面的泄漏面积。
5.3 预紧力对密封性能的影响
为研究预紧力对密封性能的影响,将预紧力大小分别设为12500 N和15000 N,其余与第2节条件保持一致,其密封面接触压力及径向间隙分别如图11和12所示。

图11 密封面接触压力分布

图12 密封面径向间隙分布
由图11和图12可知,增加预紧力一方面显著提高了接触表面的接触压力,减小了泄漏宽度,另一方面缩小了密封面间的径向间隙。说明提高预紧力可以缩小密封面的泄漏面积,但可能导致密封面出现过大的塑性变形及过高的阀门驱动装置成本,因此预紧力的增加量需要合理地控制。
6
优化结果
基于以上分析,通过合理优化截止阀的中体结构和肋板宽度,将阀芯受到的预紧力F增加至15000 N,得到截止阀的应力云图、密封面的接触状态云图及径向间隙云图分别如图13~图15所示。
由图13可知,阀门在外载荷和流体压力作用下,阀门整体的应力较小,在密封面处的最大应力为325.45 MPa,远小于司太立合金的屈服强度。
由图14和图15可知,密封面在周向全接触,形成全密封环;密封面在底部间隙为零,从而形成一定的有效密封宽度;在预紧载荷的作用下,阀座密封面与阀芯密封面产生较大接触变形阻碍流体的渗漏。

图13 截止阀应力云图

图14 密封面接触状态云图

图15 密封面径向间隙云图
7
结语
通过查阅阀门密封性能模拟研究现状和试验测试相关标准,发现在截止阀密封研究中未考虑外部载荷的问题。因此,本文基于理论计算和数值模拟的方式分析截止阀锥面密封性能,获得受到与未受到外部载荷条件下密封面的密封性能差异;模拟分析截止阀肋板、中体结构及预紧力参数对密封性能的影响规律,并对其进行优化,得到具有抗外部载荷能力的密封结构。研究主要结论如下:
(1)硬密封截止阀基本的密封性能需满足三大密封基本原则:全密封环、有效密封宽度和有效密封比压。在外部载荷作用下,某公司的截止阀不能形成全密封环,从而导致阀门泄漏。
(2)改变肋板宽度对截止阀的密封性能影响较小,向上增加肋板宽度更有利于截止阀的密封;改变截止阀中体结构会减小密封面的泄漏长度,对最大泄漏宽度影响不大;增加预紧力会较为显著地减小泄漏长度和宽度,提高截止阀的密封性能。
(3)通过合理配置截止阀阀体的中体和肋板,增加阀芯的预紧力,可以满足全密封环、一定的密封宽度和一定的密封比压的要求,该方法为同类产品的结构优化提供了一定的参考。
*本文节选自《阀门 · 学术版》2026年第3期,文章内容不代表《阀门》立场,如有不同观点,可以留言讨论,友好交流,共同进步。